

D蝸桿減速器適用范圍
WD蝸輪減速機該標準為一級傳動的阿基米德圓柱蝸桿減速器;WS(蝸桿上置)WD(蝸桿下置)。(蝸阿基米德圓柱蝸桿減速器適用于蝸桿嚙合處滑動速度不大于7.5m/s;蝸桿速度不超過1500r/min;工作環(huán)境溫度為-40~+40℃;并可正、反方向運轉的場合。
WD蝸桿減速器型號標記
型號標記

圓柱蝸桿減速器的標記包括:型號、中心距、傳動比、裝配型式
標記示例:
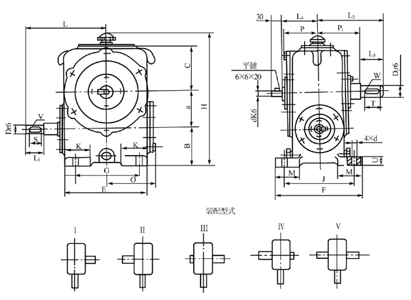
型號 | a | B | C | D | D1 | E | F | G | H | J | K | L | L1 | L2 | L3 | L4 |
WD80 | 80 | 90 | 105 | 20 | 35 | 190 | 200 | 150 | 305 | 160 | 60 | 190 | 50 | 158 | 58 | 90 |
WD100 | 100 | 110 | 135 | 25 | 40 | 240 | 210 | 180 | 375 | 170 | 70 | 225 | 60 | 182 | 82 | 100 |
WD120 | 120 | 120 | 150 | 30 | 45 | 270 | 220 | 200 | 420 | 180 | 80 | 275 | 80 | 197 | 82 | 110 |
型號 | M | O | P | P1 | S | T | U | V(b×h) | W(b×h) | d | 轉動慣量kg·m2 | 質量kg |
WD80 | 60 | 120 | 83.5 | 100 | 40 | 50 | 20 | 6×6 | 10×8 | 18 | 0.265×10~3 | 36.5~38.5 |
WD100 | 70 | 145 | 90 | 100 | 40 | 60 | 20 | 8×7 | 12×8 | 18 | 0.84×10~3 | 53~65 |
WD120 | 80 | 165 | 102 | 115 | 50 | 60 | 20 | 8×7 | 14×9 | 18 | 1.79×10~3 | 75.4~81.7 |
WD型圓柱蝸桿減速器(150~360)安裝尺寸